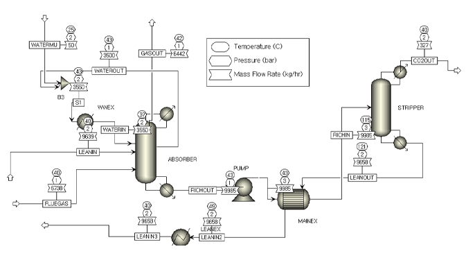
Carbon Capture Process Engineering
CE-TEK has developed and owns a proprietary process simulator based on
the physical property data of its proprietary solvent, MABSol® and CT‑1®.
We provide customized process simulations and optimized capture system
engineerings tailored to the specific flue gas characteristics of each industry.






